The LM7805 is one of the most recognizable and widely used voltage regulator ICs in electronics. Designed to deliver a stable +5V DC output from a higher input voltage, it has become a standard choice in power supply designs for decades. From simple DIY projects to industrial control circuits, the LM 7805 value for its reliability, ease of use, and built-in protection features.
As a member of the LM 7805 family of three-terminal positive voltage regulators, it integrates internal current limiting, thermal shutdown, and safe-area protection. These features allow it to operate safely under a wide range of conditions, often without the need for complex external circuitry. With proper heat dissipation, it can supply significant output current, making it suitable for both analog and digital applications where require a clean and dependable 5V rail.
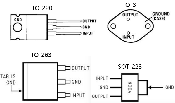
2. LM7805 Pinout and Configurations, CAD Models
3. LM7805 Voltage Regulator Specifications
4. LM7805 Voltage Regulator Applications
5. LM7805 Functional Equivalents
10. Frequently Asked Questions

The LM 7805 is one of the most widely used linear voltage regulator ICs, designed to provide a fixed +5V DC output from a higher DC input voltage.
These regulators employ internal current limiting, thermal shutdown, and safe-area compensation, making them essentially indestructible under normal operating conditions. With adequate heat sinking, the 7805 can deliver output currents exceeding 1.5A, making it suitable for a wide range of low-power and medium-power applications.
The chip primarily intend for use as a fixed voltage regulator, especially in local (on-card) regulation. This approach helps eliminate noise and voltage drop issues associated with single-point regulation. In addition to fixed regulation, the LM 7805 can also configure with external components to achieve adjustable output voltages and current regulation.
A major design goal of the LM 7805 family was ease of use. Only require a minimal number of external components for stable operation. Output bypass capacitors are not mandatory, although they improve transient response. Typically require input bypassing only when the regulator locate far from the main filter capacitor of the power supply.
For applications requiring tighter accuracy and improved electrical performance, a higher-grade version known as LM340A is available.
The LM 7805 is a 3-pin linear regulator, and its pinout is consistent across most packages.

Pin Name | Description |
Input (V+) | Unregulated DC input voltage (typically 7V to 35V) |
Ground (GND) | Common ground reference |
Output (Vo) | Regulated +5V DC output |


Parameter | Specification |
Regulator Type | Linear Positive Voltage Regulator |
Output Voltage (Vo) | +5 V (Fixed) |
Output Voltage Tolerance | ±4% |
Maximum Output Current | Up to 1.5 A (with adequate heat sinking) |
Input Voltage Range | 7V to 35V |
Dropout Voltage | Typical 2 V |
Line Regulation | 0.01% / V |
Quiescent Current | ~5–8 mA |
Output Noise Voltage | ~40–50 µV |
Output Impedance | ~15 mΩ |
Operating Junction Temperature | -40°C to +125°C |
Internal Protections | Thermal shutdown, short-circuit protection, SOA protection |
Stability Requirement | No output capacitor required |
Available Packages | TO-220, SOT-223, TO-3, TO-92 |
Typical Applications | +5V regulation, logic IC supply, microcontroller power |
The circuit produce by many semiconductor vendors, including:
Fairchild (ON Semiconductor)
STMicroelectronics (ST)
Texas Instruments (TI)
Electrical specifications remain largely compatible across manufacturers, though minor differences exist.
Package Type | Notes |
TO-220 | Most common package, easy to mount on heatsink, supports higher output current |
SOT-223 | Body size approx. 6.5 × 3.5 × 1.8 mm, pin pitch 2.3 mm; compact SMD package, suitable for space-constrained designs |
TO-3 | Metal can body approx. 39 × 30 × 12 mm, stud-mounted leads; excellent thermal dissipation, used in industrial and high-reliability applications |
TO-263 | TO-263-4, D2PAK (3 Leads + Tab), TO-263AA, SMD easy to mount on heatsink. |
The 7805 series integrates thermal protection, output short-circuit protection, and output transistor safe-area protection. Despite these safeguards, still require careful design to prevent excessive power dissipation and overheating.
Common Applications
· +5V regulated power supplies
· Microcontroller and logic IC power rails
· Sensor and analog circuit biasing
· Educational and laboratory power supplies
In its most common configuration, the 7805 provides a fixed +5V output using only minimal external components. This makes it ideal for powering digital ICs such as microcontrollers, logic gates, and communication modules.
By adding resistors or diodes between the ground-pin and system-ground, the 7805 can configure to provide output voltages higher than 5V, although this approach is less flexible than using a dedicated adjustable regulator like the LM317.
Several compatible devices offer similar electrical performance and pin compatibility.
Part Number | Description |
LM340T-5 | +5V high-accuracy positive voltage regulator- NS (Texas Instruments) |
UA7805CKCS | +5V fixed linear voltage regulator – Texas Instruments |
MC7805AECT | +5V enhanced-accuracy positive voltage regulator – ON Semiconductor(FAIRCHILD) |
MC7805ECT | +5V fixed linear voltage regulator – FAIRCHILD |
MC7805ACTBU | +5V positive voltage regulator, TO-220 package – MCC |
MC7805CT-BP-HF | +5V fixed regulator, halogen-free version – MCC |
UPC7805AHF-AZ | +5V positive voltage regulator, low-noise design – Renesas Electronics |
KA7805T STU | +5V fixed linear voltage regulator, TO-220 package – FAIRCHILD |
Note:
These parts are generally pin-compatible 7805 alternatives, but electrical characteristics, accuracy, and thermal performance vary slightly by manufacturer.
Feature | LM7805 | LM2596 |
Regulator Type | Linear voltage regulator | Buck switching regulator |
Output Voltage | Fixed +5V | Adjustable (from 1.2V and above) |
Output Current | Up to 1.5A (with heatsink) | Up to 3A |
Package | TO-220, SOT-223, TO-3, TO-263 | TO-220-5 |
Efficiency | Low (excess voltage dissipated as heat) | High (switching conversion) |
Heat Generation | High at large input–output voltage difference | Much lower because high efficiency |
Circuit Complexity | Simple, few external components | More complex, requires inductor and diode |
Output Noise | Low | Higher because switching action |
Typical Applications | Low-noise 5V supplies, logic circuits | High-current, high-efficiency DC-DC conversion |
Summary:
The LM 7805 is ideal for simple, low-noise +5V regulation where efficiency is not critical. In contrast, the LM2596 is a buck switching regulator IC that offers adjustable output voltage, higher current capability, and much better efficiency, making it suitable for power-hungry or battery-powered applications.
Can use several voltage regulators as alternatives to the 7805, depending on the required output voltage, current rating, polarity, and efficiency.
Part Number | Description |
LM7805CT | +5V fixed |
MC7806BTG | +6V fixed |
NCV7805BTG | +5V automotive-grade |
KA7805ETU | +5V fixed |
L7824ACV-DG | +24V fixed |
LM7806 | +6V fixed |
LM7809 | +9V fixed |
LM7812 | +12V fixed |
LM317 | Adjustable positive voltage regulator |
LM7905 | −5V negative voltage regulator |
LM7912 | −12V negative |
LM117V33 | +3.3V precision linear voltage regulator |
XC6206P332MR | +3.3V low-dropout (LDO) regulator, low power consumption |
Note:
When selecting an 7805 alternative, always verify output voltage, current capability, dropout voltage, and package type to ensure compatibility with the target application and thermal design.
Output Current: Up to 1.5 A (with adequate heat sinking)
Voltage Options: Available in fixed 5V, 12V, and 15V versions
Output Voltage Tolerance: ±2% at TJ = 25°C (LM340A version)
Internal Protections: Thermal overload, short-circuit, and safe operating area (SOA) protection
Package Options: Available in space-saving SOT-223, TO-220, TO-3, TO-263
Stability: Output capacitance not required for stable operation
Note:
These features make the 7805 series highly reliable and easy to use for fixed voltage regulation in a wide range of electronic applications.

The module is a compact power supply board designed to provide a stable 5V output with continuous current capability, making it ideal for DIY, experimental, and small-scale electronics applications.
Key Features:
3A Bridge Rectifier: Supports both AC and DC input, with no polarity concern, allowing continuous high-current output.
High-Quality Filtering: Equipped with two 35V 220µF electrolytic capacitors to stabilize and smooth the output voltage.
1.5A High-Current Regulator Chip: Ensures reliable continuous output of large current.
Enhanced Heat Dissipation: Includes a heat sink plate to improve thermal performance.
Versatile Applications: Suitable for DIY power supplies, monitoring systems, experimental setups, camera power, vehicle electronics, and communication equipment.
Lightweight and Portable: Compact design allows easy installation anywhere.
Technical Specifications:
· Input Voltage: 7.5 – 20V (AC or DC, no polarity)
· Output Voltage: 5V regulated
· Peak Output Current: 1.2A
· Load Regulation: 100 mV
· Static Current: 8 mA
· Output Noise Voltage: 42 µV
· Input-Output Voltage Difference: 2V
· Output Impedance: 15 mΩ
· Board Size: 57 × 23 mm
This module integrates full-wave rectification, filtering, and regulation in a compact PCB, making it a convenient solution for stable 5V power in a variety of electronics projects.
Applications:
DIY power supplies, monitoring systems, laboratory supplies, camera power, vehicle electronics, and communication equipment.
The LM317 is an adjustable positive voltage regulator that allows output voltages from 1.25V to 37V using external resistors. The LM7805 is a fixed +5V linear regulator with no adjustment. LM317 offers flexibility, while LM 7805 provides simplicity and easy 5V regulation.
The 7805 can deliver a maximum output current of 1.5A when properly heat-sinked. Exceeding this without adequate cooling may trigger thermal shutdown, reducing reliability. Continuous operation at high current requires attention to thermal dissipation to prevent overheating and maintain stable voltage regulation.
To test an LM7805, connect the input pin to a DC voltage >7V, ground pin to common ground, and measure the output pin with a multimeter. A properly working LM7805 should read close to +5V. Recommend no load or minimal load testing for safety.
The LM7805 is a low-cost and widely available voltage regulator, typically priced around $0.20 to $2 per piece, depending on package type, manufacturer, and quantity. Bulk purchases or sourcing from local electronics suppliers can reduce costs further, making it an economical solution for DIY and industrial projects.
No, the LM7805 is not a MOSFET. A linear voltage regulator IC based on bipolar junction transistor (BJT) technology. The internal series pass transistor controls current flow to maintain a stable output voltage rather than functioning as a discrete MOSFET switch.
The prefix “LM” in LM7805 originates from National Semiconductor and stands for “Linear Monolithic.” It denotes that the IC is a monolithic linear regulator, integrating all necessary circuitry, including reference, amplifier, and series pass transistor, into a single chip for simplified voltage regulation.
In LM7805, “78” indicates a positive voltage regulator series, and “05” specifies the fixed output voltage of +5V. Together, 7805 identifies a standard linear IC designed to provide a regulated +5V output with built-in protections and standard pin configuration.
The LM7805 has three pins: Input (V+), Ground (GND), and Output (Vo). This 3-terminal design is standard for the 78xx series, allowing simple connection in power supply circuits while providing internal protection features such as thermal shutdown, short-circuit protection, and safe-area operation.
The LM7805 remains a popular choice for reliable +5V regulation because its simplicity, robustness, and wide availability. Despite the rise of switching regulators, it continues to be a practical solution for low-noise and straightforward power supply designs.
1. LM317T Voltage Regulator: Pinout, Datasheet and Equivalent
2. Guide To The AMS1117 Voltage Regulator
3. LM2576 Voltage Regulator – Feature, Pinout and Applications
2025-05-29
2025-05-06
2025-06-05
2025-09-04
2025-05-14
2025-04-23
2025-07-28
2025-08-17
2025-05-17
2025-05-21