The ATMEGA32U4 is a powerful and versatile 8-bit microcontroller that has become a favorite among embedded system designers and Arduino enthusiasts. Developed by Microchip Technology Inc., this chip stands out because its built-in USB controller, allowing it to communicate directly with computers without the need for additional hardware.
Whether you're designing a custom keyboard, building a USB-enabled device, or working on compact embedded projects, the ATMEGA 32U4 offers an excellent balance of performance, flexibility, and low power consumption. With 32KB of Flash memory, multiple communication interfaces, and a rich set of peripherals, widely use in popular development boards like the Arduino Leonardo and Arduino Pro Micro.
In this guide, we will explore everything you need to know about the ATMEGA32U4’s pinout and features to real-world applications and comparisons with other microcontrollers.
6. ATMEGA32U4 Chip Applications
10. Frequently Asked Questions [FAQ]

The ATMEGA 32U4 is a high-performance 8-bit microcontroller with 32KB of ISP (In-System Programmable) Flash memory and an integrated USB controller, designed for embedded applications that require direct USB communication. It belongs to the AVR family developed by Microchip Technology Inc. and is widely used in both hobbyist and professional electronics projects.
Unlike traditional microcontrollers that need an external USB-to-serial converter, the ATMEGA 32U4 features a built-in USB 2.0 interface. This allows it to function as a USB device such as a keyboard, mouse, joystick, or virtual serial port (CDC), making it highly suitable for human interface device (HID) applications and custom USB peripherals.
The chip operates with a maximum clock frequency of 16 MHz and delivers efficient processing performance thanks to its advanced RISC architecture. It also includes multiple communication interfaces such as UART, SPI, and I2C, along with peripherals like timers, PWM channels, and a 10-bit ADC.
With its combination of memory, USB capability, and flexible I/O options, the ATMEGA32U4 is a reliable and compact solution for modern embedded system designs.

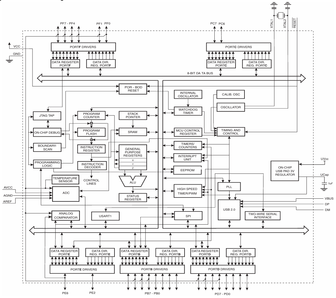
The ATMEGA-32U4 features multiple power, I/O, analog, and USB-related pins, making it highly flexible for embedded applications. Below is a detailed description of each pin group.
VCC
Digital supply voltage input used to power the core logic of the microcontroller.
GND
Ground reference for the entire circuit.
Port B (PB7..PB0)
Port B is an 8-bit bi-directional I/O port with configurable internal pull-up resistors for each pin. It provides symmetrical drive capability, meaning it can both source and sink current efficiently. When used as inputs, pins pulled low externally will source current if pull-ups are enabled. All pins enter a high-impedance (tri-state) condition during reset. Notably, Port B offers stronger driving capability compared to other ports.
Port C (PC7, PC6)
Port C also supports bi-directional I/O with internal pull-ups and balanced drive characteristics. Only pins PC6 and PC7 are available in the package. Like other ports, these pins become tri-stated during reset conditions.
Port D (PD7..PD0)
Port-D is a full 8-bit I/O port with internal pull-ups and symmetrical drive strength. It behaves similarly to Port B and supports both input and output operations with reliable current handling. During reset, all pins are tri-stated.
Port E (PE6, PE2)
Only two pins (PE2 and PE6) are available from Port E. These pins function as bi-directional I/O with internal pull-up support and exhibit the same electrical characteristics as other ports. They are also tri-stated during reset.
Port F (PF7..PF4, PF1, PF0)
Port.F primarily serves as analog input channels for the built-in ADC. It can also operate as a digital I/O port when not use ADC functionality. Internal pull-ups are available, and pins become tri-stated during reset.
Pins PF2 and PF3 are not available in the package. Additionally, Port F supports JTAG functionality. When JTAG is enabled, pull-up resistors on PF7 (TDI), PF5 (TMS), and PF4 (TCK) remain active even during reset.
USB Interface Pins
D-: USB negative data line (connect via 22Ω resistor)
D+: USB positive data line (connect via 22Ω resistor)
UGND: USB ground
UVCC: USB internal regulator input voltage
UCAP: Regulator output (requires 1µF external capacitor)
VBUS: Detects USB bus voltage
RESET
Active-low reset input. Holding this pin low for the required duration will reset the microcontroller, even if the clock is not running.
XTAL1 / XTAL2
These pins connect to an external crystal oscillator. XTAL1 is the input to the internal amplifier, while XTAL2 is the output.
AVCC
Power supply for the ADC and analog circuitry. If ADC is unused, connect directly to VCC. If used, connect through a low-pass filter for better noise performance.
AREF
Analog reference input for the ADC, used to define the conversion reference voltage.
Symbol

PCB footprint

3D model


Parameter | Specification |
Core Architecture | AVR 8-bit RISC |
CPU Speed | Up to 16 MHz |
Flash Memory | 32KB (ISP programmable) |
SRAM | 2.5KB |
EEPROM | 1KB |
Operating Voltage | 2.7V~5.5V |
Operating Temperature | -40°C to +85°C |
USB Interface | USB 2.0 Full-Speed / Low-Speed |
USB Data Rate | 12 Mbps (Full-Speed), 1.5 Mbps (Low-Speed) |
I/O Pins | 26 Programmable I/O |
ADC | 12-channel, 10-bit |
Timers | 1×8-bit, 2×16-bit, 1× High-speed Timer |
PWM Channels | Up to 6 High-Speed PWM channels |
Communication Interfaces | USART, SPI, I2C (TWI), USB |
Analog Comparator | Yes |
Watchdog Timer | Yes |
Internal Oscillator | 8 MHz calibrated |
External Clock Support | Yes (Crystal/Resonator) |
JTAG Interface | Yes (Debug & Programming) |
Package Types | 44-TQFP, 44-VQFN |
Manufacturer | Microchip Technology Inc. |
Package Variant | Description |
ATMEGA32U4-MU | 44-VQFN (7×7 mm), compact leadless package suitable for high-density PCB designs |
ATMEGA32U4RC-MU | 44-VQFN (7×7 mm), similar to MU version with minor configuration differences |
ATMEGA32U4-AU | 44-TQFP (10×10 mm), standard package with exposed leads, ideal for prototyping and easier soldering |
ATMEGA32U4RC-AU | 44-TQFP (10×10 mm), variant of AU package with slight revisions or configuration differences |
The ATMEGA 32U4 manufacture by Microchip Technology Inc., a leading global provider of microcontroller, analog, and embedded control solutions.
Microchip acquired the AVR product line through its acquisition of Atmel, and continues to support and develop AVR-based microcontrollers such as the ATMEGA-32U4 for a wide range of embedded applications.
The component design as a high-performance, low-power AVR® 8-bit microcontroller. It combines efficient processing capability with low energy consumption, making it suitable for both portable and embedded applications.
The circuit build on an advanced RISC architecture featuring 135 powerful instructions, most of which execute in a single clock cycle. It includes 32 × 8 general-purpose working registers and supports fully static operation. The device achieves up to 16 MIPS throughput at 16 MHz and integrates an on-chip 2-cycle hardware multiplier for faster computations.
The microcontroller provides flexible memory options including 16KB/32KB of in-system self-programmable Flash, 1.25KB/2.5KB SRAM, and 512B/1KB EEPROM. It supports 10,000 Flash and 100,000 EEPROM write/erase cycles with long data retention (up to 100 years at 25°C). Additional features include a bootloader section, read-while-write capability, and programming lock bits for enhanced security.
The chip supports a JTAG interface compliant with IEEE® 1149.1. This enables boundary-scan testing, on-chip debugging, and programming of Flash, EEPROM, fuses, and lock bits, making development and testing more efficient.
A major highlight of the chip is its integrated USB 2.0 Full-Speed/Low-Speed device module. It supports data rates up to 12 Mbps and includes six programmable endpoints for bulk, interrupt, or isochronous transfers. With 832 bytes of dedicated USB DPRAM, suspend/resume functionality, and PLL-based 48 MHz operation, it enables reliable USB communication without external components.
The device includes a wide range of peripherals such as timers (8-bit, 16-bit, and high-speed), multiple PWM channels with programmable resolution, and a 12-channel 10-bit ADC with differential inputs. Communication interfaces include USART, SPI, and I2C (TWI). It also integrates a watchdog timer, analog comparator, temperature sensor, and interrupt-on-change capability.
The microcontroller includes power-on reset, brown-out detection, and an internal 8 MHz calibrated oscillator. It supports dynamic clock switching and offers multiple interrupt sources. Six power-saving sleep modes—Idle, ADC Noise Reduction, Power-save, Power-down, Standby, and Extended Standby—help optimize energy usage.
The microcontroller provides 26 programmable I/O lines with CMOS outputs and LVTTL inputs. It is available in 44-lead TQFP (10×10 mm) and 44-lead QFN (7×7 mm) packages, supporting both prototyping and compact designs.
The circuit operates within a voltage range of 2.7V to 5.5V, making it compatible with a variety of power systems.
It supports an industrial temperature range of -40°C to +85°C, ensuring reliable operation in harsh environments.
The device can run at up to 16 MHz at higher voltages (4.5V) and up to 8 MHz at lower voltages (2.7V), providing flexibility for performance and power optimization.
The ATMEGA-32U4 is available in several equivalent variants that mainly differ in package type and minor configuration details. These versions maintain the same core functionality, performance, and memory specifications.
This variant comes in a 44-pin TQFP (10×10 mm) package. It is easier to handle for manual soldering and prototyping, making it a popular choice for development boards and educational projects.
This version is packaged in a 44-pin VQFN (7×7 mm) format, offering a more compact footprint. It is suitable for space-constrained designs and high-density PCB layouts while maintaining full functionality at 16 MHz operation.
Also available in a 44-pin VQFN (7×7 mm) package, this variant is similar to the 16MU version. It provides the same 8-bit AVR architecture, 32KB Flash memory, and USB capabilities, making it ideal for compact embedded systems.
Overall, these equivalents differ mainly in physical packaging rather than performance, allowing designers to choose the most suitable option based on PCB size, assembly method, and application requirements.
Widely use in USB-enabled applications because its built-in USB controller. It can serve as a USB keyboard, mouse, game controller, or other Human Interface Devices (HID) without requiring additional USB-to-serial chips.
Ideal for embedded control applications. Its low-power operation, multiple I/O ports, ADC channels, and PWM outputs make it suitable for sensors, motor control, and data acquisition systems in industrial and hobbyist projects.
Thanks to its compact package and low operating voltage, this microcontroller is perfect for wearable devices, portable gadgets, and IoT modules, enabling efficient processing while preserving battery life.
The chip commonly integrate into Arduino boards such as Leonardo and Micro, which are used for prototyping, education, and DIY electronics projects. Its native USB capability allows these boards to simulate keyboards, mice, and other devices easily.
With multiple timers, PWM channels, and ADC inputs, the ATMEGA32U4 is often employed in robotics, automation systems, and motor-driven projects, providing precise control over actuators, sensors, and communication interfaces.
The microcontroller supports USART, SPI, I2C (TWI), and USB, making it suitable for IoT gateways, data loggers, and connected devices, where require reliable communication with other devices or sensors.
These diverse applications demonstrate the versatility of the ATMEGA32U4 for both professional and hobbyist electronic designs, combining USB capability, compact size, and rich peripheral features.
Versions
The Arduino Pro Micro based on the ATMEGA32U4 comes in three interface versions: MICRO, TYPE-C, and MINI. This allows flexibility in USB connectivity and physical footprint for different projects.

Core Specifications
The Pro Micro runs at 5V/16MHz and is fully supported by Arduino IDE V1.0.1 and later. It includes a micro USB interface on the board for direct programming, making it simple to upload sketches without additional USB-to-serial adapters.
I/O Capabilities
It provides 4 analog input pins (10-bit ADC), 12 digital I/O pins (5 PWM-capable), and hardware Rx/Tx serial connections. Despite its small size, it offers many features commonly found on larger Arduino boards, including PWM outputs, analog inputs, and serial communication.
Power Management
The board includes an onboard voltage regulator, allowing it to accept input voltages up to 12V DC. For unstable power sources, recommend to use the RAW pin instead of VCC to protect the microcontroller.
Design Improvements
The latest Pro Micro revision includes several hardware improvements:
Corrected silkscreen labeling (pin 14 now accurately marked)
Added PTC fuse and diode protection for safe power handling
Fixed RX and TX LED circuitry for proper serial communication indication
Overall, the Arduino Pro Micro ATMEGA32U4 is a compact, fully-featured board suitable for portable, space-constrained, or USB-enabled Arduino projects.
The Arduino Leonardo is a development board built use the ATMEGA32U4. It features 20 digital I/O pins (7 of which support PWM output) and 12 analog input pins, making it versatile for a wide range of projects. A 16MHz crystal oscillator provides the clock, while a built-in Micro USB port, DC jack, ICSP header, and reset button offer multiple options for programming and power supply.
USB Communication
Thanks to the native USB capabilities of the ATmega32U4, the Leonardo does not require a separate USB-to-UART chip. This allows the board to function as a virtual COM port and also enables it to emulate a keyboard or mouse when connected to a computer, providing unique HID capabilities not available on standard Arduino boards.
Power and Operating Specifications
Specification | Value |
Input Voltage | 7–12V |
Operating Voltage | 5V |
Clock Speed | 16MHz |
Flash Memory | 32KB (4KB used by Bootloader) |
SRAM | 2.5KB |
EEPROM | 1KB |
Board Dimensions | 68.5 mm × 54 mm |
Feature | ATMEGA32U4 | ATMEGA328P |
Core Processor | AVR | AVR |
Core Size | 8-Bit | 8-Bit |
Speed | 16MHz | 20MHz |
Connectivity | I2C, SPI, UART/USART, USB | I2C, SPI, UART/USART |
Peripherals | Brown-out Detect/Reset, POR, PWM, WDT | Brown-out Detect/Reset, POR, PWM, WDT |
Number of I/O | 26 | 23 |
Program Memory Size | 32KB (16K x 16) | 32KB (16K x 16) |
Program Memory Type | FLASH | FLASH |
EEPROM Size | 1KB x 8 | 1KB x 8 |
RAM Size | 2.5KB x 8 | 2KB x 8 |
Voltage - Supply (Vcc/Vdd) | 2.7V ~ 5.5V | 1.8V ~ 5.5V |
Data Converters | A/D 12x10b | A/D 8x10b |
Oscillator Type | Internal | Internal |
Operating Temperature | -40°C ~ 85°C | -40°C ~ 85°C |
Mounting Type | Surface Mount | Surface Mount |
Supplier Device Package | 44-VQFN (7x7) | 32-VQFN (5x5) |
When comparing the ATMEGA32U4 and the ATMEGA328P, both microcontrollers share the classic 8-bit AVR architecture and a focus on low-power operation, but they serve slightly different purposes. The ATMEGA-32U4 runs at 16MHz and comes with native USB support, allowing it to act directly as a keyboard, mouse, or other USB device without additional hardware. It has 26 programmable I/O pins and a more capable 12-channel 10-bit ADC, making it ideal for projects that require multiple sensors or complex user interfaces. Its memory configuration includes 32KB of Flash, 2.5KB SRAM, and 1KB EEPROM, giving ample space for firmware and runtime data.
On the other hand, the ATMEGA328P operates slightly faster at 20MHz, but it lacks built-in USB functionality, requiring an external USB-to-serial adapter for PC communication. It provides 23 I/O pins and 8-channel 10-bit ADC, sufficient for most standard embedded applications. Its memory is slightly smaller in SRAM (2KB) while Flash and EEPROM remain the same as the 32U4. Typically find ATMEGA328P on popular Arduino boards like the Uno, offering a cost-effective and versatile solution for general-purpose projects.
In essence, the ATMEGA 32U4 excels in USB-centric and multi-sensor applications, while the ATMEGA328P is better for traditional embedded tasks where not require native USB.
You can download the Microchip Technology Inc.official datasheet.
The ATmega 32U4 is an 8-bit AVR microcontroller with 32KB of in-system programmable flash memory, 2.5KB SRAM, and 1KB EEPROM. It features a built-in USB controller, 26 programmable I/O pins, multiple timers, ADC channels, and serial interfaces, making it ideal for embedded applications requiring USB communication without external chips.
Several Arduino boards feature the 32U4, including the Arduino Leonardo, Arduino Micro, and Arduino Pro Micro. These boards leverage the microcontroller’s built-in USB support, enabling direct USB communication for keyboard, mouse, or MIDI devices. They also provide multiple digital and analog I/O pins for sensors, actuators, and interactive electronics projects.
When connected via USB, the ATmega 32U4 identifies itself as a Human Interface Device (HID) such as a keyboard or mouse, or as a virtual COM port (CDC). The built-in USB controller handles enumeration, and the device descriptor allows the host computer to recognize and communicate with it without additional USB-to-serial converters.
To write a bootloader, connect the ATmega-32U4 to an ISP programmer or another Arduino acting as an ISP. Use tools like Atmel Studio or the Arduino IDE to upload the bootloader. The process programs the flash memory with a small firmware section enabling USB programming and future sketches to be uploaded over USB.
You can connect a keyboard to the ATmega 32U4 via USB Host shields or the built-in USB interface. Using Arduino libraries like HID-Project, the microcontroller can read key presses and send them as input to a computer. This allows you to implement custom keyboard functions, macro pads, or interactive HID projects.
Yes, the ATmega 32U4 can operate using its internal 8MHz RC oscillator. However, for precise timing, USB communication, or high-speed applications, recommendb an external 16MHz crystal. The external crystal ensures stable clock frequencies necessary for reliable USB transfers and accurate timing in critical applications.
The Arduino-Leonardo and Arduino-Micro both use the ATmega32U4. The Leonardo is larger (68.5×53.4mm) with a built-in USB connector and more I/O headers, ideal for prototyping. The Micro is compact (18×48mm), designed for portable projects, and includes fewer pins and smaller form factor, suitable for embedded or space-constrained applications.
Most ATmega32U4 pins can function as general-purpose digital I/O, but some are multiplexed with peripherals like ADC channels, PWM outputs, USB, or communication interfaces. Using certain features may limit their availability for general I/O, so require careful planning of pin assignments in projects involving both peripherals and general-purpose control.
The ATMEGA 32U4 is power-efficient, offering multiple sleep modes including idle, ADC noise reduction, power-save, power-down, standby, and extended standby. Operating at 2.7–5.5V and with low active current consumption, it’s suitable for battery-powered applications. Sleep modes allow minimal power draw while retaining memory and peripheral states for embedded systems.
The ATMEGA32U4 stands out among AVR microcontrollers because its native USB capability, flexible peripherals, and strong ecosystem support. Whether you're building a USB HID device, an Arduino-based prototype, or an embedded system, this chip provides a powerful and compact solution.
1. ATMEGA32 Microcontroller: Pinout, Features and Alternative
2. DRV8833 Dual H-Bridge Motor Driver Module: Complete Guide
3. Mini MP1584 DC-DC 3A Buck Converter Module: Complete Guide
2025-05-06
2025-05-29
2025-06-05
2025-09-04
2025-05-14
2025-04-23
2025-07-28
2025-05-17
2025-08-17
2025-05-21