The TPA3116D2 is a highly efficient Class-D audio power amplifier widely used in modern speaker systems, Bluetooth amplifiers, and consumer audio equipment. Designed by Texas Instruments, this chip delivers high output power while maintaining low heat generation and compact circuit design. Because of its efficiency and flexible configuration, the TPA3116 D2 commonly find in DIY audio projects, home stereo systems, and portable sound systems.
This guide explains the TPA 3116D2 amplifier, including its specifications, pin configuration, applications, and comparisons with other ICs.
1. What is TPA3116D2 Class-D Stereo Amplifier?
2. TPA3116D2 Pinout and Circuit Diagram
3. TPA3116D2 Chip Specifications
6. TPA3116D2 Amplifier Board (2×50W)
8. Frequently Asked Questions [FAQ]

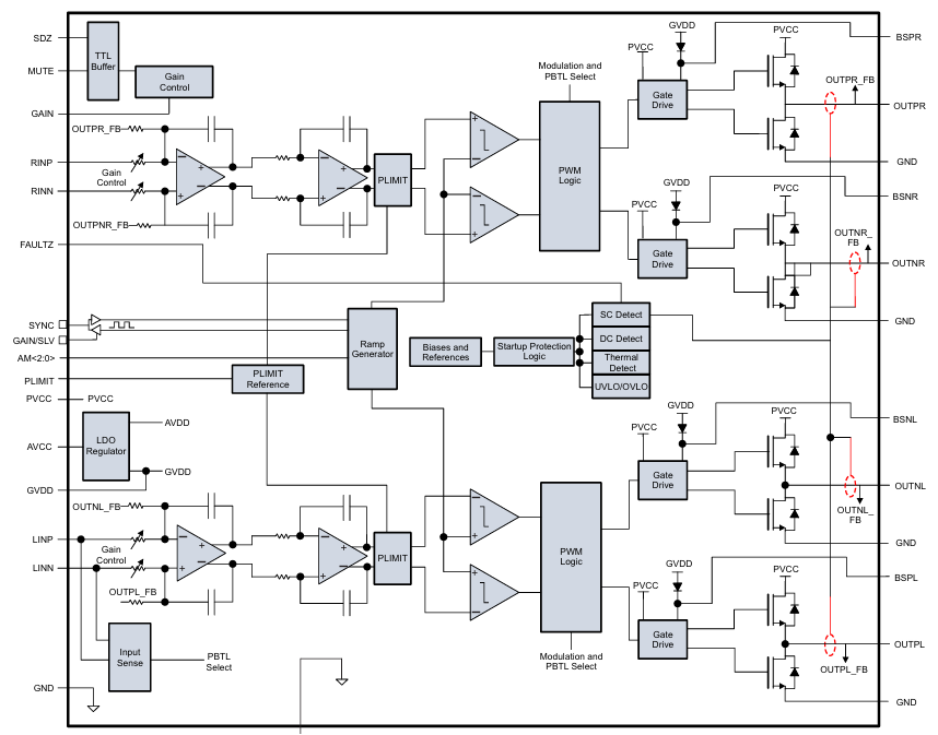
The TPA 3116D2 is a high-efficiency Class-D stereo audio power amplifier developed by Texas Instruments. It belongs to the TPA31xxD2 family of digital amplifier power stages designed to drive speakers with high power output while maintaining low heat generation and excellent efficiency.
This series is capable of driving speakers up to 100 W into a 2-ohm load in mono configuration, making it suitable for a wide range of consumer audio products. The family includes several variants with different power capabilities. For example, the TPA3130 D2 can deliver 2 × 15 W without requiring an external heatsink on a single-layer PCB, while the TPA3118D2 can provide 2 × 30 W into 8 Ω on a dual-layer PCB without a heatsink. For higher power applications, the TPA 3116D2 can deliver 2 × 50 W into 4 Ω when attach a small heatsink to its PowerPAD.
A key advantage of the TPA31xxD2 series is that all devices share the same package footprint, allowing designers to use a single PCB layout while selecting different power levels depending on system requirements.
The amplifier also integrates an advanced oscillator and PLL circuit that supports multiple switching frequencies to help avoid AM radio interference. It can operate in master or slave mode, enabling synchronization of multiple amplifier devices in larger audio systems.
In addition, the chip includes comprehensive built-in protection circuits, such as short-circuit protection, thermal shutdown, overvoltage protection, undervoltage protection, and DC fault detection. When a fault occurs, the device reports the condition to the system processor, helping prevent damage during overload conditions and improving overall system reliability.

Pin No. | Pin Name | Description |
1 | MODSEL | Modulation selection pin used to configure the internal modulation scheme of the amplifier. |
2 | SDZ | Shutdown control pin that enables or disables the amplifier to reduce power consumption. |
3 | FAULTZ | Fault indicator output that signals error conditions such as overheating or short circuit. |
4 | RINP | Right channel positive audio input for differential signal input. |
5 | RINN | Right channel negative audio input for differential input configuration. |
6 | PLIMIT | Programmable power limit pin used to control maximum output power. |
7 | GVDD | Gate driver power supply output for internal MOSFET gate drivers. |
8 | GAIN/ SLV | Used to set amplifier gain or configure the device in slave synchronization mode. |
9 | GND | Ground reference for internal circuitry. |
10 | LINP | Left channel positive audio input terminal. |
11 | LINN | Left channel negative audio input terminal for differential input. |
12 | MUTE | Mute control pin used to silence the amplifier output without shutting down the device. |
13 | AM2 | Switching frequency configuration pin used for AM interference avoidance. |
14 | AM1 | Frequency configuration pin for switching frequency control. |
15 | AM0 | Another frequency configuration pin used with AM1 and AM2. |
16 | SYNC | Synchronization pin used to align switching frequency with other amplifiers. |
17 | AVCC | Analog power supply input for internal analog circuitry. |
18 | PVCC | Main power supply for the power output stage. |
19 | PVCC | Additional power supply input for the output stage. |
20 | BSNL | Bootstrap pin for the left channel negative output driver. |
21 | OUTNL | Left channel negative speaker output. |
22 | GND | Ground connection for power stage. |
23 | OUTPL | Left channel positive speaker output. |
24 | BSPL | Bootstrap pin for the left channel positive output driver. |
25 | GND | Ground reference for output stage circuitry. |
26 | BSNR | Bootstrap pin for the right channel negative output driver. |
27 | OUTNR | Right channel negative speaker output. |
28 | GND | Ground pin used for output stage return path. |
29 | OUTPR | Right channel positive speaker output. |
30 | BSPR | Bootstrap pin for the right channel positive output driver. |
31 | PVCC | Power supply input for the output stage. |
32 | PVCC | Additional output stage supply connection. |
33 | Power PAD | Exposed thermal pad used for heat dissipation and grounding to improve thermal performance. |
MODSEL – Selects amplifier modulation scheme.
SDZ – Shutdown control pin for power saving.
FAULTZ – Indicates fault conditions such as overheating or short circuit.
LINP/LINN and RINP/RINN – Differential audio input pins for left and right channels.
MUTE – Allows quick muting of the amplifier output.
PVCC – Main power supply for the output stage.
OUTPL/OUTPR/OUTNL/OUTNR – Output pins connected to the speaker load.




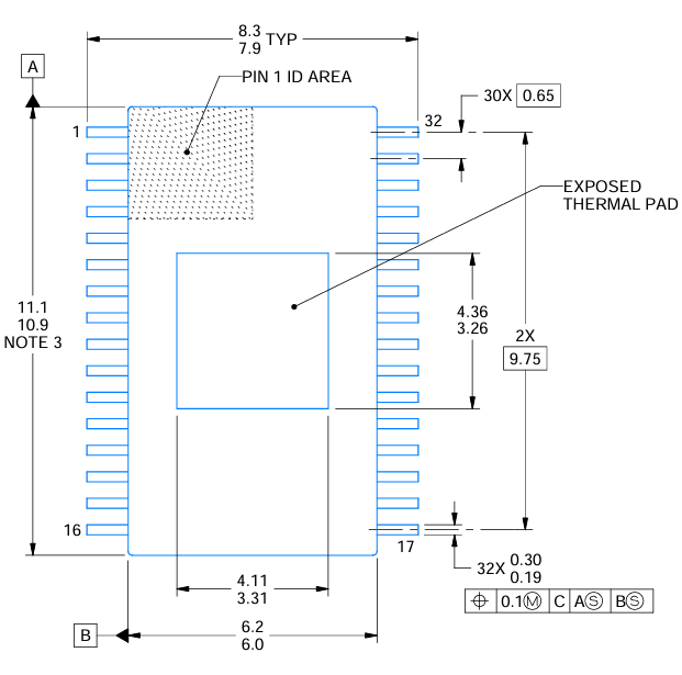
The TPA 3116D2 package in a 32-pin HTSSOP (PowerTSSOP) package with a thermal PowerPAD to improve heat dissipation. Can solder the thermal pad directly to the PCB copper area for better thermal performance.
Package width: 6.10 mm
Package type: PowerTSSOP-32
Surface-mount device
Thermal pad for heat transfer
Parameter | Specification |
Amplifier Type | Class-D Audio Power Amplifier |
Output Configuration | 2-Channel (Stereo) / Mono BTL |
Maximum Output Power | 50W × 2 @ 4Ω |
Mono Output Capability | Up to 100W @ 2Ω |
Supply Voltage Range | 4.5V~26V |
Recommended Supply Voltage | 12V – 24V |
Output Load Range | 2Ω – 8Ω |
Efficiency | Up to 90% |
Input Type | Differential / Single-Ended |
Gain Options | 20dB, 26dB, 32dB, 36dB |
Switching Frequency | Up to 1.2 MHz |
Total Harmonic Distortion (THD+N) | ~0.1% (Typical) |
Signal-to-Noise Ratio (SNR) | Up to 102 dB |
Quiescent Current | ~50 mA (Typical) |
Power Supply Rejection Ratio | High PSRR design |
Protection Features | Overvoltage, Undervoltage, Overtemperature, Short-Circuit, DC Detection |
Control Features | Mute, Shutdown, Gain Control, Power Limit |
Mounting Type | Surface Mount |
Operating Temperature | −40°C to 85°C |
Supplier Device Package | 32-HTSSOP |
Package / Case | 32-PowerTSSOP (6.10 mm Width) |
Thermal Pad | Exposed PowerPAD for heat dissipation |
The TPA 3116D2 Class-D audio amplifier from Texas Instruments offers high efficiency, flexible output configurations, and integrated protection features, making it suitable for modern audio systems.
The amplifier supports several power levels within the TPA31xxD2 family. The TPA3116 D2 provides 2 × 50 W into a 4-Ω BTL load at 21 V, while related models like TPA3118D2 deliver 2 × 30 W, and TPA3130D2 provides 2 × 15 W output.
Operates with a 4.5 V to 26 V power supply, allowing compatibility with many power sources.
Class-D architecture achieves over 90% efficiency, reducing heat generation and minimizing heatsink requirements.
Supports multiple switching frequencies up to 1.2 MHz, helping avoid AM interference and enabling master-slave synchronization.
Supports differential and single-ended inputs, providing compatibility with various audio signal sources.
Built-in protection circuits include overvoltage, undervoltage, thermal shutdown, DC detection, and short-circuit protection.
Available in 32-pin HTSSOP thermally enhanced packages, designed for efficient heat dissipation and stable performance.
The TPA 3116D2 Class-D stereo amplifier, developed by Texas Instruments(TI), widely use in audio systems that require high efficiency, compact size, and reliable performance. Its high output power and low heat generation make it suitable for many consumer and automotive audio devices.
The amplifier commonly use in compact stereo systems and mini audio components where space is limited but require high sound output.
Because of its high efficiency and stereo output capability, the chip frequently use in soundbars and docking speakers for televisions, smartphones, and portable music players.
The chip is suitable for car audio upgrades and aftermarket amplifier modules because its wide voltage range and strong output power.
In CRT TV audio systems, the amplifier provides efficient sound amplification while keeping power consumption and heat generation low.
The TPA3116 D2 also use in Bluetooth speakers, home stereo amplifiers, multimedia speakers, and other consumer audio products that require clear and powerful sound output.

Many manufacturers produce ready-to-use amplifier modules based on the TPA3116D2 circuit. These boards commonly use in DIY audio builds.
A TPA3116 D2 amplifier board is a compact digital audio amplifier module designed for high-power stereo sound systems. These modules integrate the TPA 3116D2 Class-D amplifier IC with Bluetooth audio input, making them suitable for DIY speakers, home audio systems, and portable sound equipment. The board provides efficient amplification with low heat generation and high sound quality.
Parameter | Specification |
Product Name | Digital Audio Power Amplifier Board |
Amplifier Chip | TPA 3116D2 |
Input Voltage | DC 12V – 24V |
Input Current | >5A / 120VA |
Input Impedance | 1KΩ |
Channel Configuration | Dual Channel (Stereo) |
Amplification Gain | 63× |
Output Power | 50W × 2 |
Output Impedance | 2Ω – 8Ω |
Amplifier Type | Class-D |
Board Dimensions | 83 × 50 mm |
The TPA 3116D2 Bluetooth amplifier module widely use in DIY audio projects because it combines high power output and excellent efficiency. Operating from a 12V to 24V DC power supply, the board can drive 2–8Ω speakers with up to 50W per channel. Its compact 83 × 50 mm PCB makes it easy to integrate into speaker boxes, soundbars, and portable audio systems.
Both the TDA7498E and TPA3116D2 are popular Class-D audio power amplifier ICs used in high-efficiency audio systems. However, they differ significantly in power output, voltage range, and typical applications.
Comparison Table
Parameter | TDA7498E | TPA3116D2 |
Amplifier Type | Class D | Class D |
Output Configuration | 1-Channel (Mono) or 2-Channel (Stereo) | 2-Channel (Stereo) |
Max Output Power × Channels @ Load | 220W × 1@ 3Ω; 160W × 2@ 4Ω | 50W × 2 @4Ω |
Supply Voltage Range | 14V~36V | 4.5V~26V |
Input Type | Differential Inputs | Differential / Single-Ended Inputs |
Protection Features | Mute, Short-Circuit and Thermal Protection, Standby | Overvoltage, Undervoltage, Thermal, Short-Circuit, DC Protection |
Mounting Type | Surface Mount | Surface Mount |
Operating Temperature | 0°C – 70°C | −40°C – 85°C |
Supplier Package | PowerSSO-36 EPU | 32-HTSSOP |
Package / Case | 36-PowerFSOP (7.50 mm width) | 32-PowerTSSOP (6.10 mm width) |
Key Differences
The TDA7498E design for high-power audio systems, capable of delivering up to 160W per channel, making it suitable for home theater amplifiers and large speaker systems. In contrast, the TPA 3116D2 optimize for compact and energy-efficient audio devices, delivering 50W per channel while operating at a lower voltage range.
Additionally, the TPA3116 D2 supports a wider operating temperature range and lower supply voltage, making it ideal for portable audio devices, Bluetooth speakers, and small stereo amplifiers. The TDA7498E, however, is more suitable for high-power audio amplifiers and professional sound systems.
The datasheet contains complete technical details, including:
Device overview and description
Electrical characteristics and ratings
Pin configuration and pin functions
Typical application circuits
PCB layout recommendations
Output power graphs and efficiency curves
Protection features and operating conditions
The price varies depending on the version and features. Typical module prices range from $5 to $9.90, including versions such as 2×50W, 2×80W, 2×120W, or 2×50W + 100W subwoofer boards.
The TPA 3116D2 is an updated version of the earlier TPA3116 amplifier chip. The D2 variant offers improved protection features, enhanced reliability, and optimized switching performance while maintaining similar pin compatibility.
The TPA 3116D2 use in stereo audio amplifiers, Bluetooth speakers, soundbars, home audio systems, portable speakers, and DIY amplifier projects. Its high efficiency and compact design make it ideal for battery-powered or space-constrained audio devices.
The main difference is output power. The TPA3118D2 typically delivers 2×30W at 8Ω, while the TPA 3116D2 can produce 2×50W at 4Ω, making it more suitable for higher-power audio systems.
Typically use a 12V to 24V DC power supply. For full power output, many designs use 19V to 24V power supplies capable of delivering 4A–6A current.
The TDA7388 is a Class-AB automotive amplifier, while the TPA 3116D2 is a Class-D amplifier. Class-D designs are much more efficient and generate less heat than Class-AB amplifiers.
At moderate power levels, the amplifier operate without a heatsink. However, when delivering high output power (such as 2×50W), a small heatsink attached to the PowerPAD improves thermal performance and reliability.
The maximum typical output is 2 × 50W into a 4-ohm load with a supply voltage around 21V, operating in BTL stereo configuration.
The TPA3116D2 is a powerful and efficient Class-D stereo audio amplifier design by Texas Instruments for modern audio applications. With the ability to deliver up to 2 × 50 W output power, it provides strong performance while maintaining high efficiency and low heat generation.
Thanks to its wide supply voltage range (4.5V–26V), flexible input options, and support for both stereo and mono configurations, the TPA 3116D2 can use in many audio systems. Integrated protection features such as overvoltage, thermal shutdown, undervoltage protection, and short-circuit protection improve reliability and protect the device during abnormal conditions.
Because of its compact package, high efficiency, and good sound quality, the component widely use in Bluetooth speakers, soundbars, home stereo amplifiers, automotive audio systems, and DIY amplifier boards. Overall, it remains one of the most popular Class-D amplifier ICs for building efficient and high-performance audio equipment.
1. PAM8610 10W Stereo Class-D Audio Amplifier and Module board
2. TL072 Operational Amplifier: Pinout and Specifications
3. LM324N Operational Amplifiers - Guide Pinout and Datasheet
2025-05-29
2025-05-06
2025-09-04
2025-06-05
2025-07-28
2025-04-23
2025-05-14
2025-08-17
2025-05-12
2025-05-21