The BC817 is a popular NPN general-purpose transistor designed for switching and amplification in compact electronic circuits. With its small SMD package, solid current handling capability, and multiple gain options, the BC817 widely use in consumer electronics, industrial control, and automotive-related designs.
This article provides a complete overview of the transistor, including pinout, features, specifications, applications, equivalents, and practical usage guidance.
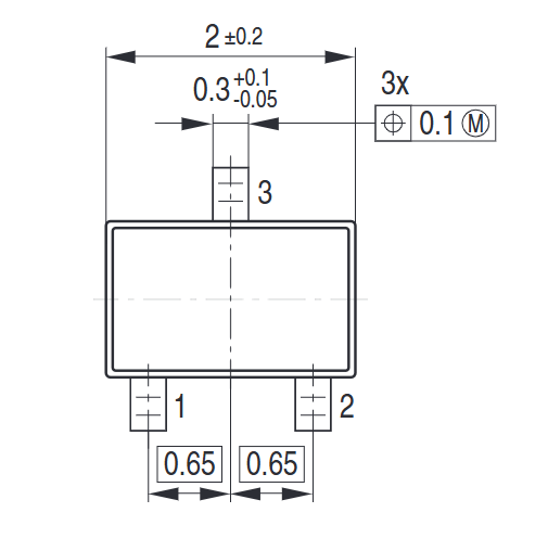
2. BC817 Pinout, Footprint and CAD Model
7. BC817 Manufacturer and Package
8. How to use BC817 Transistor
10. Frequently Asked Questions [FAQ]

The BC817 is a 45 V, 500 mA NPN general-purpose transistor designed for switching and amplification tasks in compact electronic circuits. It house in a small SOT-23nsurface-mounted plastic package, making it well suited for space-constrained PCB layouts. The device offers reliable electrical performance, fast switching capability, and low power loss, which makes it popular in consumer electronics, industrial control systems, and automotive-related applications. With multiple current gain classifications available, the transistor allows designers to choose the most suitable variant for their circuit requirements while maintaining high efficiency and stable operation.
The circuit is a three-terminal NPN transistor supplied in a compact SOT-23 SMD package, designed for high-density PCB layouts. Its simple pin configuration allows easy integration into switching and amplification circuits.

Pin No. | Pin Name | Description |
1 | Base | Controls transistor switching and amplification |
2 | Emitter | Current exit terminal |
3 | Collector | Main current input terminal |
Note: Always confirm pin orientation from the manufacturer’s datasheet, as SMD packages can appear rotated depending on PCB layout.
In the SOT-23 package, a properly designed pad layout helps ensure good solder joints, mechanical stability, and reliable electrical performance. The following guidelines commonly use and are compatible with JEDEC recommendations and most manufacturer datasheets.
Pad | Length (mm) | Width (mm) |
Pin 1 (Base) | 0.9 – 1.1 | 0.6 – 0.8 |
Pin 2 (Emitter) | 0.9 – 1.1 | 0.6 – 0.8 |
Pin 3 (Collector) | 0.9 – 1.1 | 0.6 – 0.8 |
Layout Design Guidelines
Maintain uniform pad size for all three pins to ensure even soldering.
Use short trace lengths to minimize parasitic inductance and resistance.
Provide adequate solder mask clearance to prevent bridging.
Ensure correct pin orientation (Base, Emitter, Collector) according to the footprint library.
Follow manufacturer land-pattern recommendations when designing for reflow soldering.

The transistor is available with S and NSV prefixes, making it suitable for automotive and other applications that require strict site control and controlled change management. These versions are AEC-Q101 qualified and PPAP capable, ensuring dependable operation in demanding and regulated environments.
The devices manufacture using Pb-free, halogen-free, and BFR-free materials, and it fully complies with RoHS requirements. This makes the transistor suitable for modern electronic products that must meet environmental and safety regulations.
From an electrical standpoint, the circuit supports high collector current up to 500 mA, allowing it to handle a wide range of switching tasks. In addition, it offer in three current gain selections, giving designers flexibility to match the transistor to specific circuit requirements.
The common applications cover a variety of general-purpose switching and amplification tasks in modern electronics. Its compact SOT-23/SOT-323 package and reliable performance make it ideal for space-constrained PCB designs.
Low-power relay and load switching – safely control small relays or electronic loads.
LED and indicator driving circuits – efficiently drive status LEDs and indicators.
Signal amplification stages – amplify weak analog signals in sensor or audio circuits.
Microcontroller I/O interfacing – expand I/O capability and handle higher currents.
Consumer electronics control circuits – manage small loads in household or portable devices.
Automotive auxiliary switching – control dashboard indicators, sensors, and other low-power automotive components.
Parameter | Value |
Transistor Type | NPN |
Collector-Emitter Voltage (VCEO) | 45 V |
Collector-Base Voltage (VCBO) | 50 V |
Emitter-Base Voltage (VEBO) | 6 V |
Collector Current (IC max) | 500 mA |
Power Dissipation (Ptot) | 300 mW |
DC Current Gain (hFE) | 100 – 630 |
Transition Frequency (fT) | 100 MHz |
Saturation Voltage (VCE(sat)) | 0.6 V @ IC=150 mA, IB=15 mA |
Base-Emitter Saturation Voltage (VBE(sat)) | 1.2 V @ IC=150 mA, IB=15 mA |
Collector-Emitter Leakage Current (ICBO) | 10 nA @ VCB=20 V |
Collector-Base Leakage Current (ICES) | 100 nA @ VCE=45 V |
Operating Temperature | −65 to +150 °C |
Storage Temperature | −65 to +150 °C |
Thermal Resistance, Junction to Ambient (RθJA) | 357 °C/W (SOT-323) |
Package | SOT-323 / SOT-23 |
Mounting Type | Surface Mount (SMD) |
BC817-16 is an NPN general-purpose transistor with a collector-emitter voltage of 45 V and a collector current of 500 mA. Its DC current gain (hFE) ranges from 100 to 250. Suitable for low-power switching and amplification in compact SMD designs.
BC817-25 is also an NPN transistor with the same voltage and current ratings as the BC817-16, but with a higher DC current gain range of 160 to 400. This makes it ideal for applications requiring slightly stronger amplification or higher gain control.
BC817-40 is the highest-gain variant of the series, with the same 45 V VCEO and 500 mA IC, but a DC current gain (hFE) range of 250 to 630. Best suite for circuits where need maximum amplification or sensitivity while maintaining compact SMD form factor.
The data sheet PDF providing full electrical, thermal, and mechanical details.
The circuit can replace by several general-purpose NPN transistors, depending on package and current requirements.
Common Equivalents
· BC547
· BC548
· BC549
· 2N3904
· BC107
· 2N2222
· 2N3053
· 2N2907 (PNP – polarity differs)
· BC177B (PNP – polarity differs)
When selecting an equivalent, verify package type, pin configuration, current rating, and gain class.
Several manufacturers produce BC 817 transistors with similar specifications, allowing designers to choose based on availability, brand preference, or sourcing requirements.
BC817-16LT1G – NPN transistor with DC current gain 100–250
BC817-25LT1G – NPN transistor with DC current gain 160–400
BC817,215 – Standard NPN SOT-23 transistor
BC817-40W,115 – High-gain NPN variant in SOT-323 package
BC817-25-7-F – NPN transistor with typical current gain 160–400
BC817-40-7-F – High-gain NPN variant with hFE 250–630
These variants maintain the same key specifications (45 V VCEO, 500 mA IC, SOT-323/SOT-23 package) while differing slightly in packaging codes, marking, or manufacturing compliance, making them functionally interchangeable in most circuits.
NXP Semiconductors produces the BC817’s series of NPN general-purpose transistors with reliable performance and consistent specifications. NXP parts—such as BC817,215 and BC817-40W,115—widely use in surface-mount designs and support common gain variants for switching and amplification tasks.
ON Semiconductor offers these devices (e.g., BC817-16LT1G and BC817-25LT1G) with automotive and industrial quality options. These parts feature the same core characteristics—45 V breakdown, 500 mA collector current, and SOT-23 packages—making them suitable for general PCB designs where need reliable switching and gain performance.
The BC 817 is available as a surface-mount device (SMD), designed for compact PCB layouts. Its small footprint makes it ideal for modern electronics, including consumer, industrial, and automotive circuits.

This is the most common SMD package for the BC 817. The SOT-23 package provides three terminals (Base, Emitter, Collector) in a compact form, supporting easy placement on automated assembly lines.

The SOT-323 (SC-70) package is an even smaller variant, suitable for tight PCB layouts. It maintains the same electrical specifications as the SOT-23 package but occupies less board space, making it perfect for miniature or high-density circuit designs.
All these SMD packages maintain the 45V VCEO, 500 mA IC, and high gain options of the BC817’s series.
Using a BC 817 NPN transistor in a circuit is straightforward, whether for switching or amplification. Here’s a step-by-step guide:
1. Identify Pins
Pin 1 – Base (B): Controls current flow
Pin 2 – Emitter (E): Connect to ground or negative rail
Pin 3 – Collector (C): Connect to the load or supply
2. Using as a Switch
Connect the emitter to ground.
Connect the collector to the load, and the other side of the load to the positive supply.
Use a base resistor to limit current from a microcontroller or logic signal to the base.
When apply a voltage to the base, the transistor saturates, allowing current to flow through the collector to the emitter, turning on the load.
3. Using as an Amplifier
Connect the emitter to ground, possibly with a small resistor for biasing.
Apply the input signal to the base through a coupling resistor.
Take the output signal from the collector, using a collector resistor to set the proper gain.
4. Design Considerations
Ensure base resistor calculate to provide sufficient base current for saturation.
Do not exceed 500 mA collector current.
Keep PCB traces short to minimize parasitic effects.
For inductive loads, use a flyback diode to protect the transistor.
The transistr is ideal for microcontroller interfacing, LED driving, relay switching, and small-signal amplification, making it ideal for SMD-based designs.
The transistor mark with codes on the top of the SOT-23 or SOT-323 package to identify the variant and manufacturer. These markings help distinguish between the different gain versions (BC817, BC817-16, BC817-25, BC817-40) and ensure correct placement on the PCB.

BC817– “6D%”
BC817-16 – Typically marked with “6A%”
BC817-25 – Marked as “6B%”
BC817-40 – Marked as “6C%”
% = placeholder for manufacturing site code.
Manufacturer codes: Each brand (NXP, ON Semiconductor, Diodes Inc.) use different markings. Always refer to the manufacturer’s datasheet to decode the marking accurately.
Proper identification ensures you select the correct gain variant for your circuit and avoid assembly errors.
The transistor has a maximum collector-emitter voltage (VCEO) of 45 V and a collector-base voltage (VCBO) of 50V. This allows it to safely switch or amplify low- to medium-voltage signals in general-purpose electronic circuits without risk of breakdown under normal operating conditions.
For general-purpose switching, the BC817 is ideal because its high collector current (500 mA), low saturation voltage, and fast response. Other common choices include 2N2222, BC547, or BC337, depending on current and voltage requirements. The BC817 prefer in SMD designs because of its small SOT-23/SOT-323 package.
Widely use in low-power switching and signal amplification. Common applications include LED and indicator driving, relay switching, microcontroller interfacing, audio preamplifiers, sensor signal amplification, consumer electronics control circuits, and automotive auxiliary switching, benefiting from its compact SMD package and reliable electrical performance.
The BC 817 transistor has three pins: Base, Collector, and Emitter. Pin-1 is the Base, Pin-2 is the Emitter, and Pin-3 is the Collector. This standard pin configuration allows easy integration into switching or amplification circuits, whether through SMD PCB layouts or breadboard testing with adapters.
The -transistor operates reliably in a temperature range of −65 °C to +150 °C. This wide range allows it to function in industrial, automotive, and consumer electronics environments, maintaining electrical performance, safe current handling, and thermal stability under varying ambient conditions.
The BC817-40 variant’s key property is its high DC current gain (hFE) ranging from 250 to 630, making it ideal for applications requiring maximum amplification or sensitive signal switching. It shares the same voltage (45 V) and current (500 mA) ratings as other BC817 variants but offers superior gain performance.
The BC817 is a versatile NPN general-purpose transistor suitable for both switching and amplification in modern electronic circuits. Its compact SOT-23 SMD package, high collector current (500 mA), and multiple gain options (BC817-16, -25, -40) make it ideal for consumer electronics, industrial control, and automotive applications.
With Pb-free, RoHS-compliant construction and reliable electrical characteristics, the transistor widely used for LED driving, relay switching, microcontroller interfacing, and signal amplification. Its availability from multiple manufacturers—NXP, ON Semiconductor, Diodes Incorporated—and compatibility with equivalents such as BC547 or 2N2222 ensures easy sourcing and integration, making the BC817 a practical, high-performance choice for compact PCB designs.
1. 2N2222A Transistor: Pinout, Specifications and Alternative
2025-05-29
2025-05-06
2025-06-05
2025-09-04
2025-05-14
2025-04-23
2025-07-28
2025-08-17
2025-05-17
2025-05-21